Creating LPF circuit for rear fill decode schematic

Oraclem19

Senior VIP Member
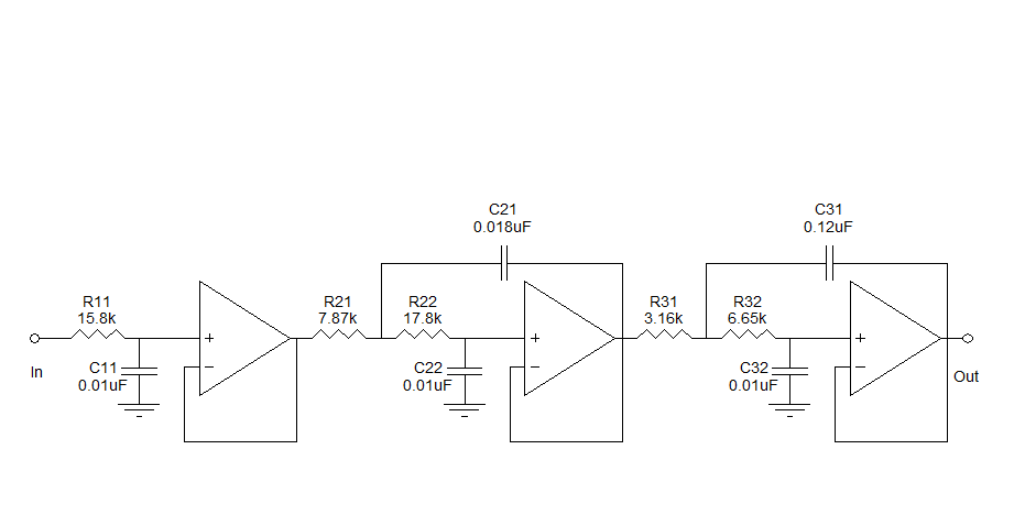
Need a little help getting this schematic figured out, most of it is understood with the exception of the triangular objects(amps-opamps?)

Not sure what those are or how to implement and order them. Here is the diagram thus far(planning to test with a lpf at 1k and 500, with the hpf staying around 80-100hz)

34gr238.png


Thank you for any help.

 
The triangle things are opamps, any generic part would do. But the circuit assumes a split +/- power supply which you don't have. It's also much simplified and not detailed enough to be practical. A real circuit would have bypass caps on the power supplies and a coupling cap at the input etc.

 
Activity
No one is currently typing a reply...
Old Thread: Please note, there have been no replies in this thread for over 3 years!
Content in this thread may no longer be relevant.
Perhaps it would be better to start a new thread instead.

About this thread

Oraclem19

Senior VIP Member
Thread starter
Oraclem19
Joined
Location
United States
Start date
Participants
Who Replied
Replies
2
Views
967
Last reply date
Last reply from
bubbagumper6
IMG_20260506_140749.jpg

74eldiablo

    May 22, 2026
  • 0
  • 0
design.jpeg

WNCTracker

    May 22, 2026
  • 0
  • 0

New threads

Top